閱讀 | 訂閱
閱讀 | 訂閱
光學平臺

底板壓板BP103型、BP104型、BP105型

星之球科技 來源:北京北光世紀儀器有限公2011-09-14 我要評論(0 )   

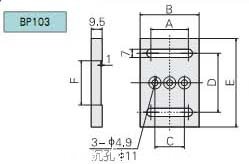
BP103型、BP104型、BP105型 產品類型:BP103型、BP104型、BP105型 產品描述: 型號 A B C D E 自重(kg) BP103 32 50 25 50 75 0.1 BP104 83 100 75 75 100 0.2 BP105 13...

BP103型、BP104型、BP105型

BP103型、BP104型、BP105型

產品類型:BP103型、BP104型、BP105型
產品描述:

型號

A

B

C

D

E

自重(kg)

BP103

32

50

25

50

75

0.1

BP104

83

100

75

75

100

0.2

BP105

133

150

125

125

150

0.5

 

轉載請注明出處。

暫無關鍵詞
免責聲明

① 凡本網(wǎng)未注明其他出處的作品,版權均屬于激光制造網(wǎng),未經(jīng)本網(wǎng)授權不得轉載、摘編或利用其它方式使用。獲本網(wǎng)授權使用作品的,應在授權范圍內使 用,并注明"來源:激光制造網(wǎng)”。違反上述聲明者,本網(wǎng)將追究其相關責任。
② 凡本網(wǎng)注明其他來源的作品及圖片,均轉載自其它媒體,轉載目的在于傳遞更多信息,并不代表本媒贊同其觀點和對其真實性負責,版權歸原作者所有,如有侵權請聯(lián)系我們刪除。
③ 任何單位或個人認為本網(wǎng)內容可能涉嫌侵犯其合法權益,請及時向本網(wǎng)提出書面權利通知,并提供身份證明、權屬證明、具體鏈接(URL)及詳細侵權情況證明。本網(wǎng)在收到上述法律文件后,將會依法盡快移除相關涉嫌侵權的內容。

網(wǎng)友點評
0相關評論
精彩導讀